Затворы ножевые WEY Sistag
Материал:- корпус из ковкого чугуна;
- детали из нержавеющей стали.
Преимущества:
- двунаправленное уплотнение позволяет затвору держать давление с двух сторон;
- направляющие во всю длину хода ножа обеспечивают безвибрационную и бесшумную работу;
- конструкция запирающего ножа и корпуса исключает накопление отложение и заклинивание затвора, что позволяет его использовать для транспортируемых сред практически любого состава;
- система уплотнений обеспечивает полную герметичность затвора без необходимости использования дополнительных уплотнений.
Область применения:
- для неочищенных сточных вод, осадков сточных вод, сточных вод с примесью твердых веществ;
- для бумажной пульпы любой консистенции, смеси пульпа/вода, макулатуры, древесной массы;
- при производстве свекольного и тростникового сахара, сиропа, сока;
- для вязкой пасты, коллоидов, гранулированных составов, химических отходов, текстильных суспензий, гранул, порошков;
- для пищевой промышленности: мякоть фруктов, зерновая мягкая масса и зерновая дробина, кукурузная суспензия;
- для энергетической и добывающей промышленности: вторичная окалина, угольная пыль и суспензия, рудниковая суспензия, известковая суспензия, цементная пыль.
Свернуть описания Развернуть описания
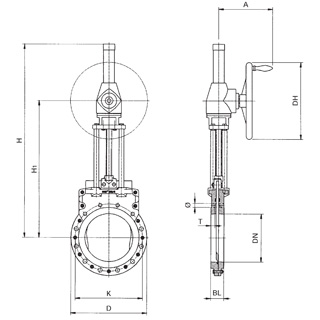
Затвор ножевой MF DN 50 – 1400
DN 50 — 600
| DN, мм | D, мм | K, мм | BL, мм | H, мм | DH, мм | Ø | T, мм | Количество болтов | PN, бар | Масса, кг | ||
| 50 | 165 | 125 | 43 | 274 | 150 | M16 | 17 | 4 | 2 | 2 | 10 | 10 |
| 65 | 185 | 145 | 46 | 293 | 150 | M16 | 18 | 4 | 2 | 2 | 10 | 11 |
| 80 | 200 | 160 | 46 | 338 | 200 | M16 | 13 | 8 | 2 | 6 | 10 | 15 |
| 100 | 220 | 180 | 52 | 384 | 200 | M16 | 16 | 8 | 2 | 6 | 10 | 17 |
| 125 | 250 | 210 | 56 | 418 | 200 | M16 | 18 | 8 | 2 | 6 | 10 | 21 |
| 150 | 285 | 240 | 56 | 500 | 300 | M20 | 16 | 8 | 2 | 6 | 10 | 31 |
| 200 | 340 | 295 | 60 | 585 | 300 | M20 | 18 | 8 | 2 | 6 | 10 | 43 |
| 250 | 395 | 350 | 68 | 675 | 300 | M20 | 21 | 12 | 4 | 8 | 10 | 59 |
| 300 | 445 | 400 | 78 | 784 | 400 | M20 | 21 | 12 | 4 | 8 | 10 | 82 |
| 350 | 505 | 460 | 78 | 875 | 400 | M20 | 18 | 16 | 4 | 12 | 6 | 99 |
| 400 | 565 | 515 | 102 | 960 | 400 | M24 | 24 | 16 | 4 | 12 | 6 | 137 |
| 450 | 615 | 565 | 114 | 1112 | 500 | M24 | 28 | 20 | 6 | 14 | 4 | 239 |
| 500 | 670 | 620 | 127 | 1173 | 500 | M24 | 28 | 20 | 6 | 14 | 4 | 259 |
| 600 | 780 | 725 | 154 | 1391 | 630 | M27 | 32 | 20 | 6 | 14 | 4 | 355 |
DN 600 — 1400
| DN, мм | D, мм | K, мм | BL, мм | H, мм | H1, мм | DH, мм | A, мм | Ø | T, мм | Количество болтов | PN, бар | Масса, кг | ||
| 600 | 780 | 725 | 154 | 1974 | 1386 | 400 | 198 | M27 | 34 | 20 | 6 | 14 | 4 | 369 |
| 700 | 895 | 840 | 165 | 2354 | 1654 | 400 | 198 | M27 | 41 | 24 | 8 | 16 | 4 | 680 |
| 800 | 1015 | 950 | 190 | 2571 | 1820 | 500 | 207 | M30 | 43 | 24 | 8 | 16 | 4 | 840 |
| 900 | 1115 | 1050 | 203 | 2985 | 2133 | 600 | 244 | M30 | 45 | 28 | 10 | 18 | 4 | 1220 |
| 1000 | 1230 | 1160 | 216 | 3250 | 2298 | 800 | 259 | M33 | 48 | 28 | 10 | 18 | 4 | 1680 |
| 1200 | 1465 | 1880 | 254 | 3870 | 2663 | 1000 | 333 | M36 | 52 | 32 | 12 | 20 | 4 | 2990 |
| 1400 | 1675 | 1590 | 279 | 4435 | 3053 | 1000 | 405 | M39 | 55 | 36 | 12 | 24 | 4 | 3970 |
Возможные варианты исполнения ножевых затворов:
- с маховиком;
- с быстродействующим рычагом;
- с электроприводом;
- с пневмоприводом.
Дополнительно:
Затвор ножевой VN DN 50 — 400
| DN, мм | D, мм | K, мм | BL, мм | H, мм | DH, мм | Ø | T, мм | Количество болтов | PN, бар | Масса, кг | ||
| 50 | 165 | 125 | 43 | 328 | 150 | M16 | 17 | 4 | 4 | - | 10 | 7 |
| 65 | 185 | 145 | 46 | 340 | 150 | M16 | 17 | 4 | 4 | - | 10 | 8 |
| 80 | 200 | 160 | 46 | 358 | 200 | M16 | 17 | 8 | 4 | 4 | 10 | 9 |
| 100 | 220 | 180 | 52 | 411 | 200 | M16 | 20 | 8 | 4 | 4 | 10 | 12 |
| 125 | 250 | 210 | 56 | 452 | 200 | M16 | 22 | 8 | 4 | 4 | 10 | 14 |
| 150 | 285 | 240 | 56 | 526 | 300 | M20 | 21 | 8 | 4 | 4 | 10 | 22 |
| 200 | 340 | 295 | 60 | 606 | 300 | M20 | 23 | 8 | 4 | 4 | 10 | 29 |
| 250 | 395 | 350 | 68 | 696 | 300 | M20 | 19 | 12 | 6 | 6 | 6 | 40 |
| 300 | 445 | 400 | 78 | 792 | 400 | M20 | 23 | 12 | 6 | 6 | 6 | 65 |
| 350 | 505 | 460 | 78 | 905 | 400 | M20 | 20 | 16 | 8 | 8 | 4 | 89 |
| 400 | 565 | 515 | 102 | 987 | 400 | M24 | 28 | 16 | 6 | 10 | 4 | 115 |
Возможные варианты исполнения ножевых затворов:
- с маховиком;
- с быстродействующим рычагом;
- с электроприводом;
- с пневмоприводом.
Дополнительно:










