Трубы раструбные «СловечнО»

Свернуть описания Развернуть описания
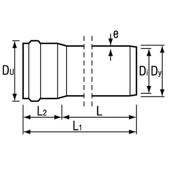
Труба раструбная, класс жесткости SN4
Dy, мм | Di, мм | Du, мм | е, мм | L, мм | L1, мм | L2, мм |
160 | 152 | 182 | 4,0 | 2000 | 2062 | 62 |
160 | 152 | 182 | 4,0 | 3000 | 3062 | 62 |
160 | 152 | 182 | 4,0 | 6000 | 6062 | 62 |
200 | 190,2 | 224 | 4,9 | 2000 | 2077 | 77 |
200 | 190,2 | 224 | 4,9 | 3000 | 3077 | 77 |
200 | 190,2 | 224 | 4,9 | 6000 | 6077 | 77 |
250 | 237,6 | 284 | 6,2 | 2000 | 2110 | 93 |
250 | 237,6 | 284 | 6,2 | 3000 | 3115 | 93 |
250 | 237,6 | 284 | 6,2 | 6000 | 6115 | 93 |
315 | 299,6 | 352 | 7,7 | 2000 | 2121 | 103 |
315 | 299,6 | 352 | 7,7 | 3000 | 3126 | 103 |
315 | 299,6 | 352 | 7,7 | 6000 | 6126 | 103 |
400 | 380,4 | 444 | 9,8 | 2000 | 2137 | 127 |
400 | 380,4 | 444 | 9,8 | 3000 | 3142 | 127 |
400 | 380,4 | 444 | 9,8 | 6000 | 6142 | 127 |
Дополнительно:
Труба раструбная, класс жесткости SN8
Dy, мм | Di, мм | Du, мм | е, мм | L, мм | L1, мм | L2, мм |
110 | 103,6 | 126 | 3,2 | 2000 | 2047 | 47 |
110 | 103,6 | 126 | 3,2 | 3000 | 3047 | 47 |
110 | 103,6 | 126 | 3,2 | 6000 | 6047 | 47 |
160 | 150,6 | 183 | 4,7 | 2000 | 2062 | 62 |
160 | 150,6 | 183 | 4,7 | 3000 | 3062 | 62 |
160 | 150,6 | 183 | 4,7 | 6000 | 6062 | 62 |
200 | 188,2 | 226 | 5,9 | 2000 | 2077 | 77 |
200 | 188,2 | 226 | 5,9 | 3000 | 3077 | 77 |
200 | 188,2 | 226 | 5,9 | 6000 | 6077 | 77 |
250 | 235,4 | 285 | 7,3 | 2000 | 2110 | 93 |
250 | 235,4 | 285 | 7,3 | 3000 | 3115 | 93 |
250 | 235,4 | 285 | 7,3 | 6000 | 6115 | 93 |
315 | 296,6 | 354 | 9,2 | 2000 | 2121 | 103 |
315 | 296,6 | 354 | 9,2 | 3000 | 3126 | 103 |
315 | 296,6 | 354 | 9,2 | 6000 | 6126 | 103 |
400 | 376,6 | 447 | 11,7 | 2000 | 2137 | 127 |
400 | 376,6 | 447 | 11,7 | 3000 | 3142 | 127 |
400 | 376,6 | 447 | 11,7 | 6000 | 6142 | 127 |
Дополнительно: